
四川麥克威通風設備有限公司
咨詢熱線:028-82630900
手機:13881905158
傳真:028-82630433
郵箱:mcwell@qq.com
辦公:成都市青羊區光華東三路489號西環廣場2棟
廠址:成都市金堂淮口工業區節能大道(國染大道)
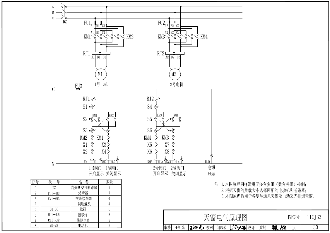
11cj33通風采光天窗圖集電動排煙天窗電氣原理
電動排煙天窗是一種通過電力驅動實現開閉的天窗,主要應用于大型工業廠房、商場、體育館等場所。在火災發生時,窗扇能迅速開啟,排出室內煙霧,為人員疏散創造有利條件。
11cj33通風采光天窗圖集,作為國家建筑標準設計圖集,詳細規定了通風采光天窗的設計、安裝及使用規范,同時,給出了電動排煙天窗的電氣原理圖。
本圖原理同樣適用于多臺多組(數臺并組)控制,需要根據電動排煙天窗的負載大小選擇匹配的電動機和斷路器。
此外,屋頂電動排煙天窗的電氣控制系統主要包括電源模塊、控制模塊、驅動模塊以及傳感器模塊。其中電源模塊負責為控制系統提供穩定的電力供應。控制模塊則根據接收到的信號,如煙霧傳感器、溫度傳感器的信號,來決定是否啟動排煙程序。驅動模塊通過電機驅動天窗開啟或關閉。傳感器模塊能夠實時監測環境變化,確保系統的及時響應。
熱點產品 / Hot Products
“推薦閱讀”
- 2024-06-03工業廠房排煙天窗對于廠房的價值
- 2024-05-23盤點09j621-2電動采光排煙天窗的窗型及功能
- 2024-05-2611cj33《通風采光天窗》助力選型指導