
四川麥克威通風設備有限公司
咨詢熱線:028-82630900
手機:13881905158
傳真:028-82630433
郵箱:mcwell@qq.com
辦公:成都市青羊區光華東三路489號西環廣場2棟
廠址:成都市金堂淮口工業區節能大道(國染大道)
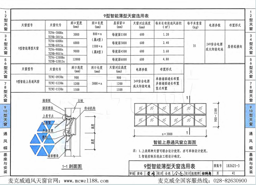
通風天窗18j621-3:9型通風天窗介紹
1、結構特點。通風天窗18j621-3圖集給出了TC9型薄型天窗的詳細結構示意圖,其主要結構為外護板、擋雨板、防濺板、泛水板、閥板、傳動連桿、電動推桿、桁架等,其中外護板、閥板、上層擋雨板可做成保溫設計,以增加室內冬季保暖。
2、規格特點。9型通風天窗分為TCA型和TCB型兩種窗型,二者常規洞口寬度為3000mm、6000mm、9000mm、12000mm,其中TCA型的洞口長度為800mm×n、TCB型的洞口長度為1500mm×n。此成品薄型通風天窗的窗體高度為600mm,每平米重量為35kg,采用24v安全電源或太陽能電池。
3、應用特點。TC9型通風天窗主要安裝在有智能通風排煙需求的工業和民用建筑,其抗風壓強度值為1.0KPa,雪荷載值為0.2KN/㎡,一般不應用在雪荷載較大的地區。
此外,通風天窗18j621-3圖集還包括了TC10A-10E型薄型天窗,功能特點各異,應用場景靈活。
熱點產品 / Hot Products
“推薦閱讀”
- 2023-09-0618j621-3通風天窗圖集適用于多類廠房
- 2023-09-09詳解18j621-3圖集排煙天窗適用于哪些工業建筑選型
- 2023-10-0418j621-3通風天窗圖集弧形天窗具有的特點分析